SSJ8-32高精度时间继电器用途
SSJ8-32高精度时间继电器用于电力系统继电保护、控制回路或工业控制的直流、交流电路中作为延时控制元件之用。尤其适用于时间测量精度要求高,配合时间级差小的场合。
SSJ8-32高精度时间继电器型号命名及含义

SSJ8-32高精度时间继电器型号命名及含义型号分类及规格

SSJ8-32高精度时间继电器工作原理

本继电器为静态型数字式时间继电器,采用进口CMOS集成电路构成,利用分频、计数原理实现延时。标准时钟脉冲由石英晶体振荡器
产生。
继电器一旦施加额定电压,内部瞬动继电器动作并出口,同时使晶体起振,产生时钟脉冲,经分频后由计数器计数,当所计脉冲数达到
延时整定值时,触发器翻转,驱动执行继电器动作出口。
SSJ8-32高精度时间继电器使用方法
动作时间整定由独立的两组三位8421码拨盘开关构成,其整定公式为: t= k×T( s)(其中k为整定系数, T为拨盘开关的整定数字)。
例如:对SSJ8-32-21A, k值为0.01,若将T整定为357,则整定时间为0.01×357=3.57( s);再如将T整定为009,则整定时为
为0.01×9=0.09( s)
SSJ8-32高精度时间继电器主要技术参数
1.延时范围
A: 0.04~9.99S级差为0.01S
B: 0.1~99.9S级差为0.1S
C:1~999S级差为1S
D:1~999M级差为1M
E:1~999H级差为1H
2.延时一致性在基准条件下:
a)延时整定为0.04s~0.99s时,一致性不大于3ms;
b)延时整定大于或等于1s时,一致性不大于(0.1%整定值+3ms);
3.延时整定误差在基准条件下,平均误差不大于(0.1%整定值±3ms)。
4.返回时间:继电器返回时间不大于25ms。
5.功耗:在额定电压下,继电器功率消耗不大于10W。
6.触点性能在电压不超过250V,电流不超过1A,时间常数为5ms±0.75ms直流电路中,断开容量为30W;在电压不超过250V,电流不超过5A,功率因数为COSφ=0.4±0.1的交流电路中,断开容量为250VA。 继电器的电寿命为104次。
7.介质强度
继电器各导电路对外露的非带电金属部分及外壳之间,应能承受2kV(有效值), 50Hz的交流试验电压,历时1min的试验,应无绝缘击穿或闪络现象。
SSJ8-32高精度时间继电器内部接线及外引线接线图

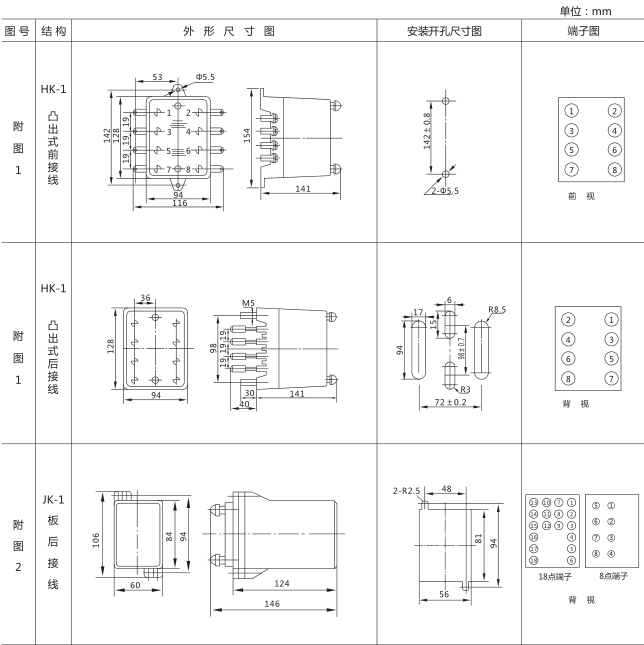
SSJ8-32高精度时间继电器外形及开孔尺寸





时间继电器系列
打印当前页
查看及下载技术文档
发邮件给我们: 3395670869@qq.com